Model: DA-41D|Standerd Type (2 Stage)|Diaphragm Type Dry Vacuum Pump|Rough&Middle Vacuum Pump|Products|ULVAC SHOWCASE

Diaphragm Type Dry Vacuum Pump
Standerd Type (2 Stage)
Model: DA-41D

ULVAC

For more information on ULVAC products, purchase, and/or consideration, click here.

Standard type / Two-stages / with power cord / with switch / with thermal protector

Features

  • A standard type of dry vacuum pump with abundant results and low price.
  • Dry vacuum pump using no oil in the gas contact area.
  • Rich lineup available to suit your application.
  • The two-stage exhaust system has lower pressure (good vacuum) than the one-stage exhaust system.
  • Safety design with built-in automatic reset type thermal protector.
  • Operation is possible from atmospheric pressure.
  • Simple structure and easy maintenance.
  • The built-in balance port enables restart from a vacuum condition.

Applications

  • Vacuum chucks, wafer and tip handling devices.
  • Vacuum tweezers, medical appliances.
  • Printing equipment.
  • Automatic packing machines.
  • Optical appliances.

Specification

 
Unit 50Hz 60Hz
Actual pumping speed
L/min 40 46
Ultimate pressure※1
Pa (kPa) 3.3×103 (-98.0)
Motor
  Single phase, 100V, 100W, 4P,Capacitor run
Full load current
A 2.5 2.7
Weight
kg 10.3
Inlet,outlet pipe diameter(Female)
mm O.D.Φ12×I.D.Φ8 (G 1/4)
Ambient temperature
0 - 40
External dimensions
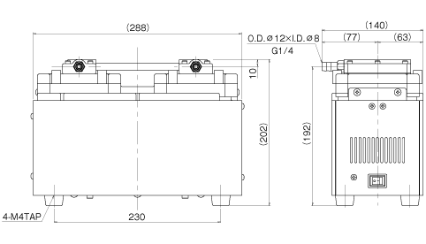
mm 157(W) X 336.5(L) X 217(H)
External dimensions (Built-in type)
mm 140(W) X 288(L) X 202(H)
※1:The gauge pressure display is shown in () of Ultimate pressure.

Corresponding certificate/Voltage

Model Applicable standard CE
Declartion of confirmity

100V

115V

200V

220V
DA-41D
DA-41DK
✓:Standard, ○:Option, -:Not Applicable
Built-in type only

Caution

1. The pump will not often operate normally if it is used with corrosive gases, organic solvents, liquids, or condensed gases (eg steam).
The pump will not often operate normally if it is used with gases containing particles or dust etc.

2. It is a pump only in the room.
Please do not set it up in the place, that rain and water splash, and outdoors.

Dimension drawing

DA-41D

zu_da041d.png


DA-41DK

zu_da041dk.png


Pumping Speed Curves

curve_da041d.png


This website use cookies to obtain and use access data to understand the convenience and usage of customers. If you agree to use cookies, click "I Accept".
[Privacy Plicy] [Cookie Policy]

I Accept