Model: DAP-9D-DC24|Standerd Type (2 Stage)|Diaphragm Type Dry Vacuum Pump|Rough&Middle Vacuum Pump|Products|ULVAC SHOWCASE

Diaphragm Type Dry Vacuum Pump
Standerd Type (2 Stage)
Model: DAP-9D-DC24

ULVAC

For more information on ULVAC products, purchase, and/or consideration, click here.

Two-stage / DC motor equipped / with interlock protection / with overcurrent protection

Features

  • A standard type of dry vacuum pump with abundant results and low price.
  • Dry vacuum pump using no oil in the gas contact area.
  • Rich lineup available to suit your application.
  • The two-stage exhaust system has lower pressure (good vacuum) than the one-stage exhaust system.
  • Safety design with built-in automatic reset type thermal protector.
  • Operation is possible from atmospheric pressure.
  • Simple structure and easy maintenance.

Applications

  • Vacuum chucks, wafer and tip handling devices.
  • Vacuum tweezers, medical appliances.
  • Printing equipment.
  • Automatic packing machines.
  • Optical appliances.
  • Sterilizer.

Specifications

Actual Pumping Speed
L/min 9
Ultimate pressure
Pa (kPa) 6.65×103 (-94.7)
Motor
  DC Brushless motor, 14W, 4P, 24V
Full load current
A 1.3
Weight
kg 1.75
Inlet, outlet pipe diameter
mm Rc 1/8
Ambient temperature
0 - 40
Overall dimensions
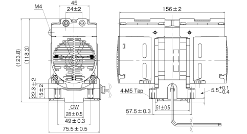
mm 83.5(W)×165(L)×123.8(H)
*1: Gauge pressure
Hose port suction pipe, Hose port exhaust pipe are not included.

Caution

1. The pump is stopped when the lord is operated, and the pump can’t be operated just after that.
In this case, please return the atmospheric pressure the inside of the pump.

2. The pump will not often operate normally if it is used with corrosive gases, organic solvents, liquids, or condensed gases (eg steam).

3. The positions and dimensions of the M4 screws in the "DAP-9D-DC24" are varied within the range of tolerances depending on the combination of base component parts.

4 It is a pump only in the room.
Please do not set it up in the place, that rain and water splash, and outdoors.

Dimension drawing

zu_dap9d_dc24e.png

Pumping Speed Curves

curve_dap9d_dc24.png


This website use cookies to obtain and use access data to understand the convenience and usage of customers. If you agree to use cookies, click "I Accept".
[Privacy Plicy] [Cookie Policy]

I Accept