Model: DA-60S|Standerd Type (Single Stage)|Diaphragm Type Dry Vacuum Pump|Rough&Middle Vacuum Pump|Products|ULVAC SHOWCASE

Diaphragm Type Dry Vacuum Pump
Standerd Type (Single Stage)
Model: DA-60S

ULVAC

For more information on ULVAC products, purchase, and/or consideration, click here.

Standard type / Single-stages / with power cord / with switch / with thermal protector

Features

Diaphragm type pump creates vacuum by reciprocate movement of rubber diaphragms.
Pump structure makes Oil-free environment and maintenance easy.
Various pumping speed and two/single stages are selectable depends on your required pressure and pumping volume.

Applications

  • Vacuum chucks, wafer and tip handling devices.
  • Vacuum tweezers, medical appliances.
  • Printing equipment.
  • Automatic packing machines.
  • Optical appliances.
  • Semiconductor industry.
  • Injection molding machine.

Specification

  Unit 50Hz 60Hz
Actual pumping speed L/min 60 72
Ultimate pressure※1 Pa (kPa) 21.3×103 (-80.0)
Motor   Single phase, 100V, 200W, 4P, Split phase starting
Full load current A 5.6 5
Weight kg 11
Inlet,outlet pipe diameter(Female) mm O.D.Φ9×I.D.Φ5 (Rc 1/4)
Ambient temperature 7~40
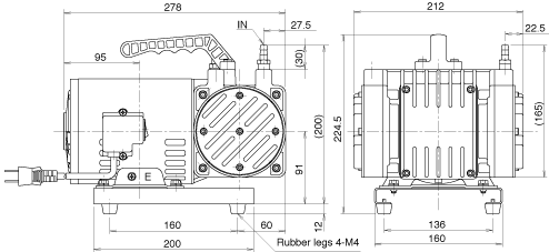
External dimensions mm 212(W)×278(L)×224.5(H)
※1:The gauge pressure display is shown in () of Ultimate pressure.

Corresponding certificate/Voltage

Model Applicable standard CE
Declartion of
confirmity

100V

115V

200V

220V
DA-60S
✓:Standard, ○:Option, -:Not Applicable

Caution

The pump is stopped when the lord is operated, and the pump can’t be operated just after that.
In this case, please return the atmospheric pressure the inside of the pump.
The pump will not often operate normally if it is used with corrosive gases, organic solvents, liquids, or condensed gases (eg steam).
The pump will not often operate normally if it is used with gases containing particles or dust etc.
A large current flows when the pump starts.
If ON/OFF of the pump power supply will be frequently done in a short time, trouble might be caused.
Please do not turn a frequent power supply on and off in a short time.
It is a pump only in the room.
Please do not set it up in the place, that rain and water splash, and outdoors.

Dimension drawing

zu_da060se.png

Pumping Speed Curves

curve_da060s.png

This website use cookies to obtain and use access data to understand the convenience and usage of customers. If you agree to use cookies, click "I Accept".
[Privacy Plicy] [Cookie Policy]

I Accept