Scroll Type Dry Vacuum Pump Model: DISL-503
ULVAC
Print/Download
For more information on ULVAC products, purchase, and/or consideration, click here.
Single wrap / terminal only (without cord) with switch / with thermal protector / with air flash
Features
- Compact size with large displacement.
- Vacuum pump resistant to high humidity gas.
- Suppresses moisture condensation by air flush.
Applications
- Pick and transfer system.
- Cleaning and drying.
- Degassing / deforming.
- Packaging.
Specification
| Unit | 50Hz | 60Hz | |
| Actual pumping speed | L/min | 433 | 516 |
| Ultimate pressure | Pa | 30 | |
| Motor※ | Three phase, 200/380/400/415V/900W, 2P | Three phase, 200/220/230/460V, 1,100W, 2P | |
| Full load current | A | 3.7/1.88/1.87/1.88 | 4.1/3.9/3.85/1.92 |
| (200/380/400/415V) | (200/380/400/415V) | ||
| Weight | kg | 34 | |
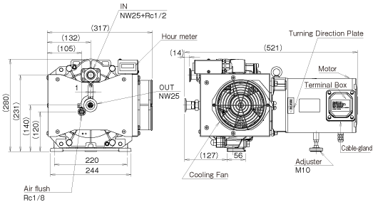
| Inlet flange | KF-25(Rc1/2) | ||
| Outlet pipe diameter | KF-25 | ||
| Ambient temperature | deg. C | 5 - 40 | |
| Water vapor handing | g/day | 250 (※AF open) | |
| External dimensions | mm | 317(W) X 521(L) X 280(H) | |
※:Power supply plug and Power supply code are not included.
※:AF=Air flush
The air flush operation not only discharges the water remaining in the pump, but also has the effect of recovering the Ultimate pressure.
※:AF=Air flush
The air flush operation not only discharges the water remaining in the pump, but also has the effect of recovering the Ultimate pressure.
Corresponding certificate/Voltage
| Model | Applicable standard※ | CEDeclartion of confirmity | 1Φ 100V |
1Φ 200V |
3Φ 200V |
3Φ 400V |
| DISL-503 | cTUV | ✓ | - | - | ✓ (Can be switched by changing the terminal plate) |
|
✓:Standard, ○:Option, -:Not Applicable
※cTUV certification: This is a high quality product that complies with Canadian standards, as assessed by an international third party that conducts product safety testing and certification.
※cTUV certification: This is a high quality product that complies with Canadian standards, as assessed by an international third party that conducts product safety testing and certification.
Caution
|
1
|
If the pump evacuates the powder or the product, it might be damaged.
Please use the inlet filter etc. |
|
2
|
Do not evacuate gas which is hazardous to humans or explosive, flammable, or corrosive. If done, it can cause failure by gas, explosion or ignite.
|
|
3
|
This product has no motor protection function.
Be sure to install a protective device such as an earth leakage circuit breaker. |
Dimension drawing
Pumping Speed Curves