Model:DA-30D|标准规格(二段式)|隔膜型干泵|真空泵(低・中真空)|产品中心|ULVAC SHOWCASE

隔膜型干泵
标准规格(二段式)
Model:DA-30D

ULVAC

关于Model:DA-30D的介绍、购买、商讨

膜片泵通过橡胶膜片的往复运动来形成真空。
泵体结构采用无油环境设计、因此维护简单。
根据您对压力和腔体的要求可以选择各种不同的泵速和双段/单段设计。

特点

  • 价格低廉,销售量多的标准型干式真空泵。
  • 气体接触区域不使用油的干式真空泵。
  • 丰富的产品阵容可满足不同的应用需求。
  • 两级排气系统与单级排气系统相比具有更低的压力(良好的真空)。
  • 内置自动复位型热保护器等安全设计。
  • 大气压力下可运作。
  • 结构简单,维护方便。

规格

  Unit 50Hz 60Hz
有效排气速度
L/min 30 36
极限压力※1
Pa (kPa) 6.7×103 (-94.6)
使用电动机
  Single phase, 100V, 200W, 4P, Split phase starting
全负荷电流
A 5.6 5.0
重量
kg 11.0
吸・排气口径※2
mm O.D.Φ9×I.D.Φ5 (Rc 1/4)
使用环境温度范围
7~40
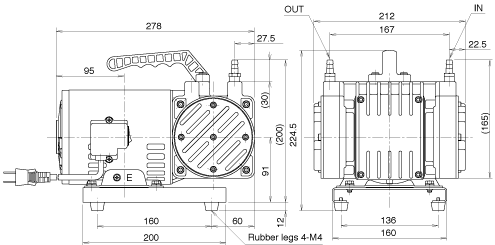
最大尺寸
mm 212(W)×278(L)×224.5(H)
※1:极限压力( )内真空计显示。
※2:不配有吸气管和排气管。

对应标准/电压

型号 认证标准 CE自我申明
100V

115V

200V

220V
DA-30D
●:标准、○:对应可选、-:对应不可

使用上的注意

1. 如果在负荷运作期间停止泵,然后立即重新启动,则可能无法重新启动。
在这种情况下,请将泵内部恢复到大气压。

2. 请不要吸入腐蚀性气体,有机溶剂,液体和可冷凝气体(如水蒸气)
另外,确保灰尘和污垢不会进入泵内。请不要频繁快速打开/关闭电源。

3. 泵启动时会有大电流流过。
在短时间内频繁打开和关闭泵电源可能会导致问题。
请不要频繁快速打开/关闭电源。

4. 仅供室内使用,请勿安装在下雨或淹水的地方或室外。

尺寸图

zu_da030de.png

排气速度曲线

curve_da030d.png


This website use cookies to obtain and use access data to understand the convenience and usage of customers. If you agree to use cookies, click "I Accept".
[Privacy Plicy] [Cookie Policy]

I Accept