Model:DA-60S|标准规格(一段式)|隔膜型干泵|真空泵(低・中真空)|产品中心|ULVAC SHOWCASE

隔膜型干泵
标准规格(一段式)
Model:DA-60S

ULVAC

关于Model:DA-60S的介绍、购买、商讨

膜片泵通过橡胶膜片的往复运动来形成真空。
泵体结构采用无油环境设计、因此维护简单。
根据您对压力和腔体的要求可以选择各种不同的泵速和双段/单段设计。

特点

  • 价格低廉,销售量多的标准型干式真空泵。
  • 气体接触区域不使用油的干式真空泵。
  • 丰富的产品阵容可满足不同的应用需求。
  • 单级排气系统比两级排气系统更快。
  • 具有锁定保护和过流保护功能等安全设计。
  • 大气压下可以运作。

用途

  • 真空吸盘,晶圆和尖端处理设备。
  • 真空镊子,医疗器械。
  • 印刷设备。
  • 自动包装机。
  • 光学器具。
  • 半导体行业。
  • 注塑机。

规格

  Unit 50Hz 60Hz
有效排气速度 L/min 60 72
极限压力※1 Pa (kPa) 21.3×103 (-80.0)
使用电动机   单相, 100V, 200W, 4P, 分相启动
全负荷电流 A 5.6 5
重量 kg 11
吸/排出孔(内螺纹尺寸) mm O.D.Φ9×I.D.Φ5 (Rc 1/4)
使用环境温度范围 7~40
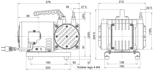
最大尺寸 mm 212(W)×278(L)×224.5(H)
※1:极限压力如()真空计显示。

对应标准/电压

型号 认证标准 CE自我宣言
100V

115V

200V

220V
DA-60S
●:标准、○:可选对应、-:对应不可

使用上的注意

如果在负载运作期间停止泵,然后立即重新启动,则可能无法重新启动。
在这种情况下,将泵内部恢复到大气压。
请不要吸入腐蚀性气体,有机溶剂,液体和可冷凝气体(如水蒸气)。
另外,请确保污垢和灰尘不会进入泵内部。
泵启动时会有大电流流过。
在短时间内频繁打开和关闭泵电源可能会导致问题。
不要经常频繁打开/关闭电源。
仅供室内使用
请勿安装在下雨或淹水的地方或室外。

尺寸图

zu_da060se.png

排气速度曲线

curve_da060s.png

This website use cookies to obtain and use access data to understand the convenience and usage of customers. If you agree to use cookies, click "I Accept".
[Privacy Plicy] [Cookie Policy]

I Accept