排气单元 Model:VMR-050
ULVAC
打印・
保存产品手册
保存产品手册
关于Model:VMR-050的介绍、购买、商讨
使机械增压泵、辅助泵、管道紧密结合的小型高真空排气装置。使用与保养检修很简单,最适合用于实验。
特点
- 在排气速度下降的压力范围,内置的辅助泵可以使排气速度有显著的提升。
- 安装空间紧凑
- 只需一个启动按钮,就可以在一段时间内从大气压力到极限压力。
规格
| 型号 | VMR-050 | |
| 极限压力 | 4.0×10-2Pa | |
| 主泵 | 机械增压泵 833 L/min ( at 100Pa ) | |
| 辅助泵 | 油回转真空泵 200 L/min | |
| 吸气口 | VG-40 | |
| 重量 | 42kg | |
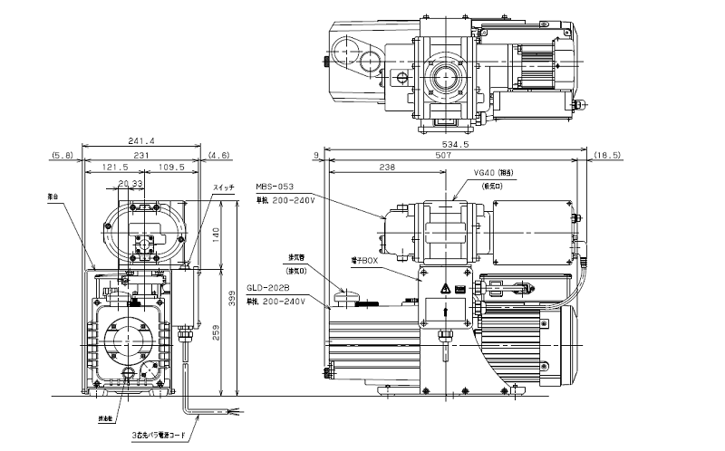
| 最大尺寸 | 100V系 | 241.4mm(W)×534.5mm(D)×399mm(H) |
| 200V系 | 241.4mm(W)×534.5mm(D)×399mm(H) | |
效用
| 型号 | VMR-050 |
| 所需电力 | 单相 100-120V/200-240V 1.5kVA |
| 接地端子 | D种 (接地电阻值/100MΩ以下) |
| 安装 | 100V系 : 乙烯基电缆(带插头) 1.8m |
| 200V系 :乙烯基电缆(优先) 1.8m |
尺寸图
100V
200V
