Model:DOP-181SA|摇动活塞型干泵|真空泵(低・中真空)|产品中心|ULVAC SHOWCASE

摇动活塞型干泵 Model:DOP-181SA

ULVAC

关于Model:DOP-181SA的介绍、购买、商讨

活塞干式真空泵通过气缸内皮碗密封的往复运动来形成真空状态。

特点

  • 结构紧凑,排气量大。
  • 气体接触区域不使用油的干式真空泵。
  • 丰富的产品阵容可满足不同的应用需求。
  • 内置自动复位型热保护器等安全设计。
  • 大气压下可运作。
  • 全压力范围可连续运作。
  • 结构简单,维护方便。

用途

  • 真空吸盘,真空镊子。
  • 自动设备上的吸附和转移。
  • 真空包装印刷机。
  • 贴片机。
  • 医疗设备。
  • 氧气发生器。

规格


型号 DOP-181SA DOP-181SB DOP-181SC DOP-181SD DOP-181SE
有效排气速度
(50/60Hz)
L/min 180/200
极限压力 Pa (kPa) 10.0×10³ (-91.3)
使用电动机 单相, 100V
400W, 4P
单相,115V
400W, 4P
单相, 200V
400W, 4P
单相, 220V
400W, 4P
3相, 200-220V
400W, 4P
全负荷电流
(50/60Hz)
A 6.3/5.8 5.3/5.1 3.2/2.9 2.9/2.6 2.0~1.9/1.9~1.8
重量 kg 12
吸・排气口径 mm Rc 3/8
使用环境温度范围 7~40
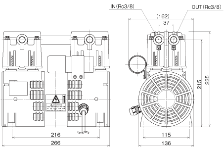
最大尺寸 mm 172(W)×266(L)×235(H) 162(W)×266(L)×235(H) 160(W)×266(L)×235(H)

※1:极限压力如()真空计显示。
※2:不包括电源插头和电源线。

※3不附带吸气管和排气管。对应标准/电压

对应标准/电压

型号 认证标准* CE自我宣言
100V

115V

200V

220V

200~220V
DOP-181SA TUV・cTUVus
DOP-181SB TUV・cTUVus
DOP-181SC TUV・cTUVus
DOP-181SD TUV・cTUVus
DOP-181SE TUV・cTUVus
●:标准、○:可选对应、-:对应不可
TUV认证:本产品是通过国际第三方产品安全测试和认证,符合欧洲标准的高质量产品。
cTUVus认证 : 本产品是通过国际第三方产品安全测试和认证,符合美国标准的高质量产品。

使用上的注意

1 如果在负载运作期间停止泵,然后立即重新启动,则可能无法重新启动。
在这种情况下,请将泵内部恢复到大气压。

2 如果与腐蚀性气体,有机溶剂,液体或冷凝气体(如蒸汽)一起使用,泵通常不能正常运行。
如果与含有颗粒或灰尘等气体一起使用,泵通常不能正常运行。

3 泵的滑动部件的碳材料会由运作而磨损,并且磨损会产生微小的颗粒。
此外,由于滑动材料的水份含量较低,因此会促进磨损,并且如果真空气体含水气,则泵的寿命会降低。
请不要吸水气或冷凝气体(蒸汽等)。

4 此泵仅限室内使用。
请勿在漏雨处,水淹处或室外使用。

5 将泵固定到装置上时,请务必安装防震橡胶。
防振橡胶的安装螺丝尺寸为M6×P 1.0。

尺寸图

DOP-181SA/SB

zu_dop181sa_sbe.png

DOP-181SC/SD

zu_dop181sc_sde.png


DOP-181SE

zu_dop181see.png


排气速度曲线

curve_dop181s.png


This website use cookies to obtain and use access data to understand the convenience and usage of customers. If you agree to use cookies, click "I Accept".
[Privacy Plicy] [Cookie Policy]

I Accept