Model:DOP-81SP|摇动活塞型干泵|真空泵(低・中真空)|产品中心|ULVAC SHOWCASE

摇动活塞型干泵 Model:DOP-81SP

ULVAC

关于Model:DOP-81SP的介绍、购买、商讨

通过在气缸中往复运动对活塞加压的泵。 简单的结构使其易于处理。

特点

  • 它具有大排量和紧凑的尺寸。
  • 专用于加压的泵,采用活塞结构。
  • 它是安全的,因为它有一个内置的自动恢复型热保护器。
  • 结构简单,维修方便。

规格

  单位 50Hz 60Hz
实际抽速 L/min 85 100
极限压力 Pa 5.0×105
重量 kg 9
进出气管道直径 mm Rc 1/4
环境温度 7~40
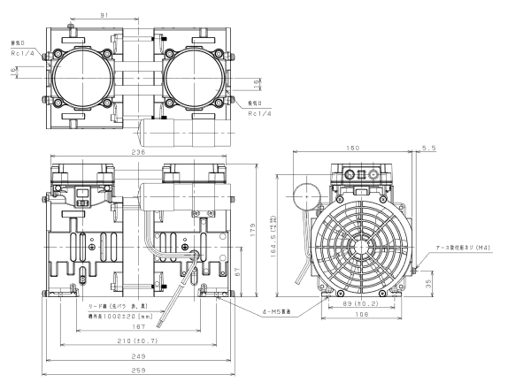
尺寸 mm 165.5(W) × 259(L) × 179(H)
RoHS对应  
不包括电源线和电源插头。 引线从主体引出。

对应标准/电压

电压 认证 备注
1φ100V TUV,cTUVus DOP-81SPA
1φ200V TUV,cTUVus DOP-81SPB
1φ220-240V TUV,cTUVus DOP-81SPF
TUV认证是由执行产品安全测试及认证的国际第三方组织审查,符合欧洲规格的高品质产品。

使用上的注意

1 不要让灰尘或污垢进入泵内。

2 作为泵的滑动材料的杯形填料因运行而磨损,并产生磨损粉。

3 它是一种仅供室内使用的泵。 请勿将其安装在会被雨淋或浸水的地方或户外。

4 将泵固定到设备上时,请务必安装防振橡胶。 防振橡胶安装螺钉的尺寸为 M5 x P0.8。

5 另外,请确保安装在泵侧的防振橡胶螺钉的长度不超过 10 毫米。

尺寸图

zu_DOP-81SP.png

This website use cookies to obtain and use access data to understand the convenience and usage of customers. If you agree to use cookies, click "I Accept".
[Privacy Plicy] [Cookie Policy]

I Accept