涡旋式干泵 Model:DIS-501
ULVAC
打印・
保存产品手册
保存产品手册
关于Model:DIS-501的介绍、购买、商讨
•双绕式涡旋泵、含1根轨道螺旋和2根固定螺旋。
•可在大气压下实现操作运行。
•可实现高极限真空。
•低振动低噪音。
•维护周期可通过计时表控制。
•可在大气压下实现操作运行。
•可实现高极限真空。
•低振动低噪音。
•维护周期可通过计时表控制。
特点
- 结构紧凑,排气量大。
- 干式真空泵的最高压力水平。
- 内置自动复位型热保护器(单相用)安全设计。。
- 通过空气冲洗抑制水分凝结。。
用途
- 分析设备
- 气体回收系统
- 涂装设备
- TMP的背泵
- 氦气检漏仪
- 半导体制造工艺
规格
| Unit | 50Hz | 60Hz | ||
| 设计排气速度度※1 | L/min | 500 | 600 | |
| 极限压力 | Pa | 1 | ||
| 使用电动机※2 | 单相 | 100/115/200/230V, 600W, 4P , 电容器启动・運転 | ||
| 三相 | 200/208/230/380/400/415/460V, 600W, 4P | |||
| 全负荷电流 | 单相 | A | 8.5/4.3/3.9 | 10.0/8.6/4.8/4.0 |
| (100/200/230V) | (100/115/200/230V) | |||
| 三相 | 2.7/1.57/1.57/1.63 | 2.8/2.6/2.5/1.47 | ||
| (200/380/400/415V) | (200/208/230/460V) | |||
| 重量 | 单相 | kg | 44 | |
| 三相 | 38 | |||
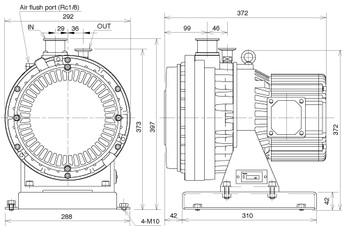
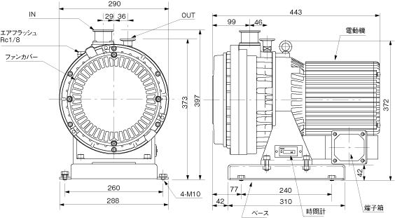
| 吸气口径 | KF-40 | |||
| 排气口径 | KF-25 | |||
| 使用环境温度范围 | ℃ | 5~40 | ||
| 水蒸气处理量 | g/day | ≦25以下(AF开时※3, 室温25℃, 湿度60%以下) | ||
| 噪音水平 | 单相 | dB | ≦62(AF開時※3, ≦70) | |
| 三相 | ≦60(AF開時※3, ≦68) | |||
| 最大尺寸 | 单相 | mm | 290(W)×443(L)×397(H) | |
| 三相 | 292(W)×372(L)×397(H) | |||
※1:设计排气速度时当抽取大气压气体时实际排气速度的1.2倍。
※2:不包括电源插头和电源线。
※3:AF = Air Flash
空气冲洗操作不仅排出残留在泵中的水,而且还具有恢复极限力的效果。
※2:不包括电源插头和电源线。
※3:AF = Air Flash
空气冲洗操作不仅排出残留在泵中的水,而且还具有恢复极限力的效果。
对应标准/电压
| 型号 | 认证标准※ | CE自我宣言 | 1Φ 100V系 |
1Φ 200V系 |
3Φ 200V系 |
3Φ 400V系 |
| DIS-501 | cTUV | ● | ● (可以通过更换端子板切换) |
● (可以通过更换端子板切换) |
||
●:标准、○:可选对应、-:对应不可
※cTUVus认证 : 本产品是通过国际第三方产品安全测试和认证,符合美国标准的高质量产品。
※cTUVus认证 : 本产品是通过国际第三方产品安全测试和认证,符合美国标准的高质量产品。
使用上的注意
|
1
|
粉末和生成物吸入会导致泵损坏。
请使用吸气阱。 |
|
2
|
吸入有害气体如爆炸性气体,易燃气体,有毒气体,腐蚀性气体,有机溶剂气体等,可能会因气体本身,爆炸或火灾而导致泵故障。
|
|
3
|
三相规格没有电机保护功能。
请务必安装保护装置,如漏电断路器。 |
尺寸图
DIS-501(Single phase)
DIS-501(Three phase)
排气速度曲线