涡旋式干泵 Model:DISL-503
ULVAC
打印・
保存产品手册
保存产品手册
关于Model:DISL-503的介绍、购买、商讨
单绕式涡旋泵含轨道螺旋和固定螺旋各1个。
比"Model:DIS"对灰尘与水蒸气的处理能力强、适合工业用。
比"Model:DIS"对灰尘与水蒸气的处理能力强、适合工业用。
特点
- 结构紧凑,排气量大。
- 耐高湿度气体
- 通过空气冲洗抑制水分凝结。
用途
- 挑拣和搬送系统
- 清洁和干燥
- 脱气 / 重塑
- 包装
规格
| Unit | 50Hz | 60Hz | |
| 设计排气速度度 | L/min | 433 | 516 |
| 极限压力 | Pa | 30 | |
| 使用电动机※ | 3相、200/380/400/415V、900W、2P | 3相、200/220/230/460V、1,100W、2P | |
| 全负荷电流 | A | 3.7/1.88/1.87/1.88 | 4.1/3.9/3.85/1.92 |
| (200/380/400/415V) | (200/380/400/415V) | ||
| 重量 | kg | 34 | |
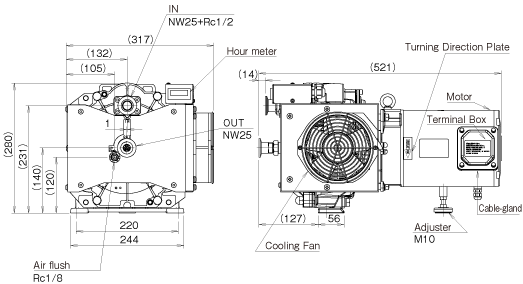
| 吸气口径 | KF-25(Rc1/2) | ||
| 排气口径 | KF-25 | ||
| 使用环境温度范围 | ℃ | 5~40 | |
| 水蒸气处理量 | g/day | 250 以下 (※AF 关时) | |
| 最大尺寸 | mm | 317(W)×521(L)×280(H) | |
※:不包括电源插头和电源线。
※:AF = Air Flash
空气冲洗操作不仅排出残留在泵中的水,而且还具有恢复极限力的效果。
※:AF = Air Flash
空气冲洗操作不仅排出残留在泵中的水,而且还具有恢复极限力的效果。
对应标准/电压
| 型号 | 认证标准※ | CE自我宣言 | 1Φ 100V系 |
1Φ 200V系 |
3Φ 200V系 |
3Φ 400V系 |
| DISL-503 | cTUV | ● | - | - | ● (可以通过更换端子板切换) |
|
●:标准、○:可选对应、-:对应不可
※cTUVus认证 : 本产品是通过国际第三方产品安全测试和认证,符合美国标准的高质量产品。
※cTUVus认证 : 本产品是通过国际第三方产品安全测试和认证,符合美国标准的高质量产品。
使用上的注意
|
1
|
粉末和生成物吸入会导致泵损坏。
请使用吸气阱。 |
|
2
|
吸入有害气体如爆炸性气体,易燃气体,有毒气体,腐蚀性气体,有机溶剂气体等,可能会因气体本身,爆炸或火灾而导致泵故障。
|
|
3
|
本产品没有电机保护功能。
请务必安装保护装置,如漏电断路器。 |
尺寸图
排气速度曲线