Model: DAT-50D|スタンダードタイプ(2段型)|ダイアフラム型ドライ真空ポンプ|真空ポンプ(低・中真空)|製品情報|ULVAC SHOWCASE

ダイアフラム型ドライ真空ポンプ
スタンダードタイプ(2段型)
Model: DAT-50D

アルバック

Model: DAT-50Dの導入・購入・検討について

スタンダードタイプ / 2段排気方式 / サーマルプロテクター内蔵 / モーターリード線圧着端子付き

特長

  • 豊富な実績を持ち、低価格を実現したドライ真空ポンプのスタンダードタイプ。
  • 接ガス部に油を使用していないドライタイプの真空ポンプ。
  • 用途に合わせて選べる豊富なラインナップ。
  • 2段排気方式は、1段排気方式より低い圧力(良い真空)。
  • 自動復帰型サーマルプロテクター内蔵による安全設計。
  • 大気圧から作動が可能。
  • シンプル構造で、メンテナンスが容易。

仕様

 
Unit 50Hz 60Hz
実効排気速度
L/min 50 55
到達圧力※1
Pa (kPa) 3.3×103 (-98.0)
使用電動機※2
  単相, 100V, 200W, 4P, 分相始動
全負荷電流
A 5.6 5.0
質量
kg 11.0
吸・排気口径(メネジサイズ)
mm O.D.Φ12×I.D.Φ8.5 (Rc 1/4)
使用雰囲気温度範囲
7~40
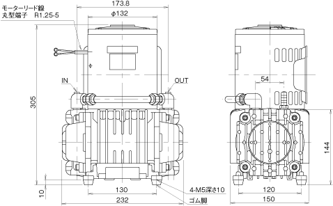
最大寸法
mm 150(W)×232(L)×305(H)
※1:到達圧力の( )内はゲージ圧表示となります。
※2:電源プラグおよび電源コードは付属していません。

対応規格/電圧

Model 認証規格 CE
自己宣言

100V

115V

200V

220V

200~220V
DAT-50D
DAT-50DA TUV・cTUVus
●:標準、○:オプション対応、-:対応不可
TUV認証 : 製品安全試験・認証を行う国際的な第三者機関の審査により、欧州規格に適合した高品質の製品です。
※cTUVus認証 : 製品安全試験・認証を行う国際的な第三者機関の審査により、カナダ規格および米国規格に適合した高品質の製品です。

使用上の注意

1. 負荷運転時にポンプを停止し、直後に再度運転する場合、再起動しない事があります。
この場合はポンプ内部を大気圧に戻してください。

2. 腐食性ガス、有機溶剤、液体及び凝縮性ガス(水蒸気等)は吸引しないでください。
また、ゴミやホコリ等がポンプ内に入らないようにしてください。

3. ポンプ始動時に大電流が流れます。
ポンプ電源のON/OFFを短時間で頻繁に行うと不具合が生じる場合があります。
短時間で頻繁な電源のON/OFFはしないでください。

4. 屋内専用のポンプです。
雨や水のかかるような場所や屋外には設置しないでください。

寸法図

zu_dat50d.png

排気速度曲線

curve_dat050d.png


このサイトでは、お客様の利便性や利用状況の把握などのためにCookieを使用してアクセスデータを取得・利用しています。Cookieの使用に同意する場合は、
「同意しました」をクリックしてください。「個人情報保護方針」「Cookie Policy」をご確認ください。

同意しました