メンテナンスキット Model:DA-41D/41DK用|オプションパーツ|真空ポンプ(低・中真空)|製品情報|ULVAC SHOWCASE

オプションパーツ メンテナンスキット Model:DA-41D/41DK用

アルバック

メンテナンスキット Model:DA-41D/41DK用の導入・購入・検討について

これは定期的に交換が必要な消耗部品のセットです。

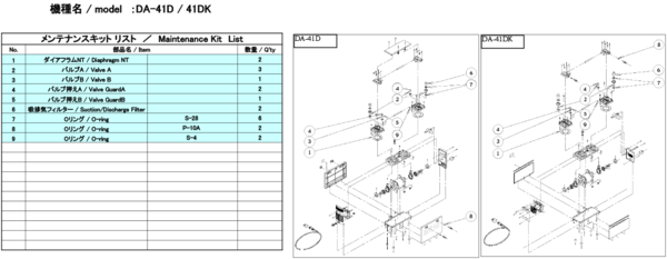
寸法図および対応表

kit_for_DA-41D_jp.png

特記事項

交換する周期は使い方によって差があります。定期点検、交換周期については、真空ポンプの取扱説明書を参照してください。
修理の技術者がいない場合や分解、組立の経験がない場合は、当社にご相談ください。
適合機種:DA-41D,DA-41DK

このサイトでは、お客様の利便性や利用状況の把握などのためにCookieを使用してアクセスデータを取得・利用しています。Cookieの使用に同意する場合は、
「同意しました」をクリックしてください。「個人情報保護方針」「Cookie Policy」をご確認ください。

同意しました