揺動ピストン型ドライ真空ポンプ Model: DOP-301SB
アルバック
保存する
Model: DOP-301SBの導入・購入・検討について
特長
- 大排気量でコンパクトサイズ。
- 接ガス部に油を使用していないドライタイプの真空ポンプ。
- 用途に合わせて選べる豊富なラインナップ。
- 自動復帰型サーマルプロテクター内蔵による安全設計。
- 大気圧から作動が可能。
- 全圧力帯での連続運転が可能。
- シンプル構造で、メンテナンスが容易。
仕様
| Unit | 50Hz | 60Hz | |
| 実効排気速度 | |||
| L/min | 300 | 330 | |
| 到達圧力*1 | Pa (kPa) | 8.0×103 (-93.3) | |
| 使用電動機*2 | 3相, 200-230V, 400W, 4P | ||
| 全負荷電流 | A | 2.1 | 2.5 |
| 質量 | kg | 20 | |
| 吸・排気口径(メネジサイズ) | mm | O.D.Φ16×I.D.Φ12 (Rc 1/2) | |
| 使用雰囲気温度範囲 | ℃ | 0~40 | |
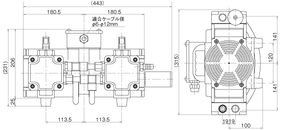
| 最大寸法 | mm | 315(W)×443(L)×231(H) | |
*1:到達圧力の( )内はゲージ圧表示となります。
*2:電源プラグおよび電源コードは付属していません。
対応規格/電圧
| 電源電圧 |
認証規格
|
備考
|
|
3φ200-220V (50Hz),200-230V(60Hz)
|
CE, TUV, cTUVus
|
■ TUV認証は、製品安全試験・認証を行う国際的な第三者機関の審査により欧州規格に適合した高品質の製品です。
使用上の注意
1. 負荷運転時にポンプを停止し、直後に再度運転する場合、再起動しない事があります。この場合はポンプ内部を大気圧に戻してください。
2. 腐食性ガス、有機溶剤、液体及び凝縮性ガス(水蒸気等)は吸引しないでください。また、ゴミやホコリ等がポンプ内に入らないようにしてください。
3. ポンプの摺動材であるカップパッキンは運転により磨耗し、磨耗粉が発生いたします。また、使用している摺動材は水分に弱いため、吸引した場合磨耗が促進され寿命が低下します。水分及び凝縮性ガス(水蒸気等)は吸引しないでください。
4. 屋内専用のポンプです。雨や水のかかるような場所や屋外には設置しないでください。
寸法図

排気速度曲線