Model: DOP-81SP|揺動ピストン型ドライ真空ポンプ|真空ポンプ(低・中真空)|製品情報|ULVAC SHOWCASE

揺動ピストン型ドライ真空ポンプ Model: DOP-81SP

アルバック

Model: DOP-81SPの導入・購入・検討について

シリンダ内でピストンが往復運動することによって加圧するポンプです。構造が単純なので取り扱いが容易です。

特長

  • 大排気量でコンパクトサイズ
  • ピストン構造を生かした加圧ポンプの専用タイプ
  • 自動復帰型サーマルプロテクター内蔵による安全設計
  • シンプル構造で、メンテナンスが容易

仕様

  Unit 50Hz 60Hz
実行排気速度 L/min 85 100
到達圧力 Pa 5.0×105
質量 kg 9
吸・排気口 mm Rc 1/4
使用雰囲気温度範囲 7~40
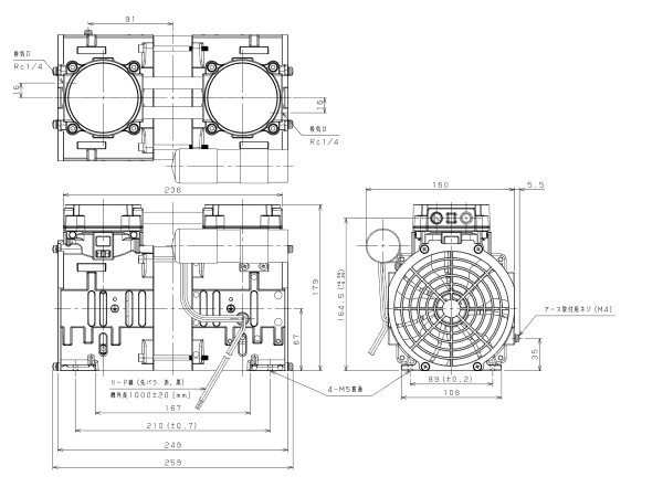
最大寸法 mm 165.5(W) × 259(L) × 179(H)
RoHS対応  
※1:加圧圧力はゲージ圧表示となります。
※2:電源プラグおよび電源コードは付属していません。

対応規格/電圧

電源電圧 認証規格 備考
1φ100V TUV,cTUVus DOP-81SPA
1φ200V TUV,cTUVus DOP-81SPB
1φ220-240V TUV,cTUVus DOP-81SPF
■ TUV認証は、製品安全試験・認証を行う国際的な第三者機関の審査により欧州規格に適合した高品質の製品です。

使用上の注意

1. ゴミやホコリ等がポンプ内に入らないようにしてください。
2. ポンプの摺動材であるカップパッキンは運転により磨耗し、磨耗粉が発生します。
3. 屋内専用のポンプです。雨や水のかかるような場所や屋外には設置しないでください。
4. ポンプを装置等に固定される際は、必ず防振ゴムを取り付けてください。防振ゴムの取付けネジサイズはM5×P0.8です。
5. また、ポンプ側に取付けられる防振ゴムのネジの長さは10mmを超えないようにお願いします。

寸法図

zu_DOP-81SP.png

このサイトでは、お客様の利便性や利用状況の把握などのためにCookieを使用してアクセスデータを取得・利用しています。Cookieの使用に同意する場合は、
「同意しました」をクリックしてください。「個人情報保護方針」「Cookie Policy」をご確認ください。

同意しました