Model: DAT-50D|Standerd Type (2 Stage)|Diaphragm Type Dry Vacuum Pump|Rough&Middle Vacuum Pump|Products|ULVAC SHOWCASE

Diaphragm Type Dry Vacuum Pump
Standerd Type (2 Stage)
Model: DAT-50D

ULVAC

For more information on ULVAC products, purchase, and/or consideration, click here.

Two-stage / with thermal protector / cord with

Features

  • A standard type of dry vacuum pump with abundant results and low price.
  • Dry vacuum pump using no oil in the gas contact area.
  • Rich lineup available to suit your application.
  • The two-stage exhaust system has lower pressure (good vacuum) than the one-stage exhaust system.
  • Safety design with built-in automatic reset type thermal protector.
  • Operation is possible from atmospheric pressure.
  • Simple structure and easy maintenance.

Applications

  • Vacuum chucks, wafer and tip handling devices.
  • Vacuum tweezers, medical appliances.
  • Printing equipment.
  • Automatic packing machines.
  • Optical appliances.
  • Semiconductor industry.
  • Injection molding machine.

Specification

 
Unit 50Hz 60Hz
Actual pumping speed
L/min 50 55
Ultimate pressure※1
Pa (kPa) 3.3×103 (-98.0)
Motor※2
  Single phase, 100V, 200W, 4P, Split phase starting
Full load current
A 5.6 5.0
Weight
kg 11.0
Inlet,outlet pipe diameter(Female)
mm O.D.Φ12×I.D.Φ8.5 (Rc 1/4)
Ambient temperature
7 - 40
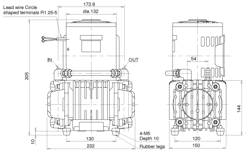
External dimensions
mm 150(W)×232(L)×305(H)
※1:The gauge pressure display is shown in () of Ultimate pressure.
※2:Power supply plug and Power supply code are not included.

Corresponding certificate/Voltage

Model Applicable standard CE
Declartion of confirmity

100V

115V

200V

220V

200 - 220V
DAT-50D
DAT-50DA TUV・cTUVus
✓:Standard, ○:Option, -:Not Applicable
TUV Certification: A high-quality product that complies with European standards as assessed by an international third party that conducts product safety testing and certification.
※cTUVus Certification: A high quality product that complies with Canadian and US standards as assessed by an international third party that conducts product safety testing and certification.

Caution

1. The pump is stopped when the lord is operated, and the pump can’t be operated just after that.
In this case, please return the atmospheric pressure the inside of the pump.

2. The pump will not often operate normally if it is used with corrosive gases, organic solvents, liquids, or condensed gases (eg steam).
The pump will not often operate normally if it is used with gases containing particles or dust etc.

3. A large current flows when the pump starts.
If ON/OFF of the pump power supply will be frequently done in a short time, trouble might be caused.
Please do not turn a frequent power supply on and off in a short time.

4. It is a pump only in the room.
Please do not set it up in the place, that rain and water splash, and outdoors.

Dimension drawing

zu_dat050de.png

Pumping Speed Curves

curve_dat050d.png


This website use cookies to obtain and use access data to understand the convenience and usage of customers. If you agree to use cookies, click "I Accept".
[Privacy Plicy] [Cookie Policy]

I Accept