Model: DOP-81SP|Rocking Piston Type Dry Vacuum Pump|Rough&Middle Vacuum Pump|Products|ULVAC SHOWCASE

Rocking Piston Type Dry Vacuum Pump Model: DOP-81SP

ULVAC

For more information on ULVAC products, purchase, and/or consideration, click here.

A pump that pressurizes the piston by reciprocating in the cylinder. The simple structure makes it easy to handle.

Features

  • It has a large displacement and is a compact size.
  • A pump dedicated to pressurization with a piston structure.
  • It is safe because it has a built-in automatic recovery type thermal protector.
  • The structure is simple and maintenance is easy.

Specification

  Unit 50Hz 60Hz
Actual Pumping Speed L/min 85 100
Ultimate Pressure Pa 5.0×105
Weight kg 9
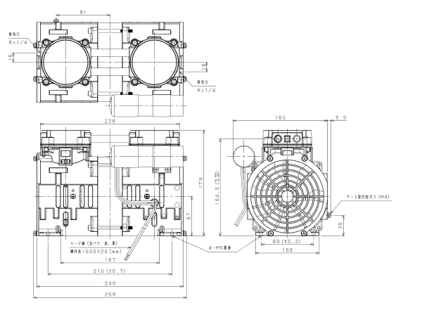
Inlet, Outlet port diameter mm Rc 1/4
Ambient temperature 7~40
Overall dimensions mm 165.5(W) × 259(L) × 179(H)
RoHS applied  
Power cord and power plug are not included. The lead wire comes out from the main body.

Corresponding certificate/Voltage

Voltage Certificate Remarks
1φ100V TUV,cTUVus DOP-81SPA
1φ200V TUV,cTUVus DOP-81SPB
1φ220-240V TUV,cTUVus DOP-81SPF
TUV Certification: A high-quality product that complies with European standards as assessed by an international third party that conducts product safety testing and certification.

Caution

1. Do not allow dust or dirt to get inside the pump.

2. The cup packing, which is the sliding material of the pump, wears due to operation, and wear powder is generated.

3. It is a pump for indoor use only. Do not install it in a place where it will be exposed to rain or water or outdoors.

4. When fixing the pump to the device, be sure to attach the anti-vibration rubber. The size of the anti-vibration rubber mounting screw is M5 x P0.8.

5. Also, make sure that the length of the anti-vibration rubber screw attached to the pump side does not exceed 10 mm.

Dimension drawing

zu_DOP-81SP.png

This website use cookies to obtain and use access data to understand the convenience and usage of customers. If you agree to use cookies, click "I Accept".
[Privacy Plicy] [Cookie Policy]

I Accept