Scroll Type Dry Vacuum Pump Model: DIS-501
ULVAC
Print/Download
For more information on ULVAC products, purchase, and/or consideration, click here.
Double wrap / terminal only (without cord) with switch / with thermal protector / with air flash
Features
- Compact size with large displacement.
- The highest level of ultimate pressure for dry vacuum pumps.
- Safety design with built-in automatic reset type thermal protector (for single phase).
- Suppresses moisture condensation by air flush.
Applications
- Analytical equipment.
- Gas recovery system.
- Coating equipment.
- Back pump for TMP.
- Helium leak detector.
- Manufacturing process for semiconductor.
Specification
| Unit | 50Hz | 60Hz | ||
| Actual pumping speed※1 | L/min | 500 | 600 | |
| Ultimate pressure | Pa | 1 | ||
| Motor※2 | Single phase | 100/115/200/230V, 600W, 4P , Capacitor start/run | ||
| Three phase | 200/208/230/380/400/415/460V, 600W, 4P | |||
| Full load current | Single phase | A | 8.5/4.3/3.9 | 10.0/8.6/4.8/4.0 |
| (100/200/230V) | (100/115/200/230V) | |||
| Three phase | 2.7/1.57/1.57/1.63 | 2.8/2.6/2.5/1.47 | ||
| (200/380/400/415V) | (200/208/230/460V) | |||
| Weight | Single phase | kg | 44 | |
| Three phase | 38 | |||
| Inlet flange | KF-40 | |||
| Outlet pipe diameter | KF-25 | |||
| Ambient temperature | deg. C | 5 - 40 | ||
| Water vapor handing | g/day | ≦25(AF open※3, Room temperature 25℃, Humidity 60% or less) | ||
| Noise level | Single phase | dB | ≦62(AF open※3, ≦70) | |
| Three phase | ≦60(AF open※3, ≦68) | |||
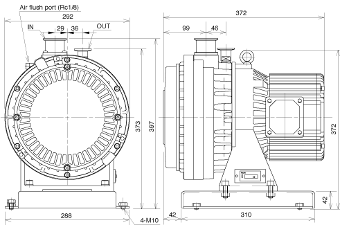
| External dimensions | Single phase | mm | 290(W)×443(L)×397(H) | |
| Three phase | 292(W) X 372(L) X 397(H) | |||
※1:Actual pumping speed is about 1.2 times the Actual pumping speed when a gas at atmospheric pressure is sucked.
※2:Power supply plug and Power supply code are not included.
※3:AF=Air flush
The air flush operation not only discharges the water remaining in the pump, but also has the effect of recovering the Ultimate pressure.
※2:Power supply plug and Power supply code are not included.
※3:AF=Air flush
The air flush operation not only discharges the water remaining in the pump, but also has the effect of recovering the Ultimate pressure.
Corresponding certificate/Voltage
| Model | Applicable standard※ | CEDeclartion of confirmity | 1Φ 100V |
1Φ 200V |
3Φ 200V |
3Φ 400V |
| DIS-501 | cTUV | ✓ | ✓ (Can be switched by changing the terminal plate) |
✓ (Can be switched by changing the terminal plate) |
||
✓:Standard, ○:Option, -:Not Applicable
※cTUV certification: This is a high quality product that complies with Canadian standards, as assessed by an international third party that conducts product safety testing and certification.
※cTUV certification: This is a high quality product that complies with Canadian standards, as assessed by an international third party that conducts product safety testing and certification.
Caution
|
1
|
If the pump evacuates the powder or the product, it might be damaged.
Please use the inlet filter etc. |
|
2
|
Do not evacuate gas which is hazardous to humans or explosive, flammable, or corrosive. If done, it can cause failure by gas, explosion or ignite.
|
|
3
|
The Three phaseSpecification does not have motor protection.
Be sure to install a protective device such as an earth leakage circuit breaker. |
Dimension drawing
DIS-501(Single phase)
DIS-501(Three phase)
Pumping Speed Curves