Scroll Type Dry Vacuum Pump Model: DIS-90
ULVAC
Print/Download
For more information on ULVAC products, purchase, and/or consideration, click here.
Double wrap / terminal only (without cord) with switch / with thermal protector / with air flash
Features
- Compact size with large displacement.
- The highest level of ultimate pressure for dry vacuum pumps.
- Safety design with built-in automatic reset type thermal protector.
- Suppresses moisture condensation by air flush.
Applications
- Analytical equipment.
- Gas recovery system.
- Coating equipment.
- Back pump for TMP.
- Helium leak detector.
- Manufacturing process for semiconductor.
Specification
| Unit | 50Hz | 60Hz | |
| Actual pumping speed※1 | L/min | 90 | 108 |
| Ultimate pressure | Pa (kPa) | 5 | |
| Motor※2 | Single phase, 100/115/200/230V, 150W, 4P Capacitor start/run | ||
| Full load current | A | 2.6/1.3/1.6 | 2.1/2.2/1.1/1.1 |
| (100/200/230V) | (100/115/200/230V) | ||
| Weight | kg | 14 | |
| Inlet flange | KF-25 | ||
| Outlet pipe diameter | KF-16 | ||
| Ambient temperature | deg. C | 5 - 40 | |
| Water vapor handing | g/day | ≦5 以下 (AFopen※3, Room temperature 25℃, Humidity 60% or less) | |
| Noise level | dB | ≦52 (AFopen※3, ≦57) | |
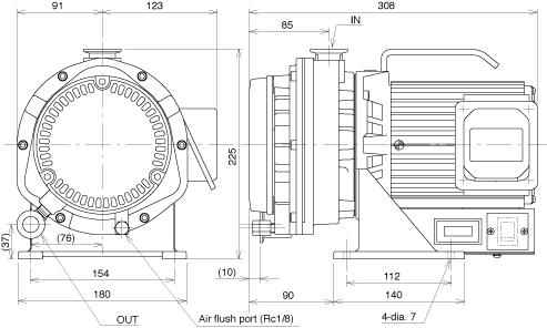
| External dimensions | mm | 214(W) X 308(L) X 225(H) | |
※1:Actual pumping speed is about 1.2 times the Actual pumping speed when a gas at atmospheric pressure is sucked.
※2:Power supply plug and Power supply code are not included.
※3:AF=Air flush
The air flush operation not only discharges the water remaining in the pump, but also has the effect of recovering the Ultimate pressure.
※2:Power supply plug and Power supply code are not included.
※3:AF=Air flush
The air flush operation not only discharges the water remaining in the pump, but also has the effect of recovering the Ultimate pressure.
Corresponding certificate/Voltage
| Model | Applicable standard※ | CEDeclartion of confirmity | 1Φ 100V |
1Φ 200V |
3Φ 200V |
3Φ 400V |
| DIS-90 | cTUV | ✓ | ✓ (Can be switched by changing the terminal plate) |
- | - | |
✓:Standard, ○:Option, -:Not Applicable
※cTUV certification: This is a high quality product that complies with Canadian standards, as assessed by an international third party that conducts product safety testing and certification.
※cTUV certification: This is a high quality product that complies with Canadian standards, as assessed by an international third party that conducts product safety testing and certification.
Caution
|
1
|
If the pump evacuates the powder or the product, it might be damaged.
Please use the inlet filter etc. |
|
2
|
Do not evacuate gas which is hazardous to humans or explosive, flammable, or corrosive. If done, it can cause failure by gas, explosion or ignite.
|
Dimension drawing
Pumping Speed Curves